INQUIRY  


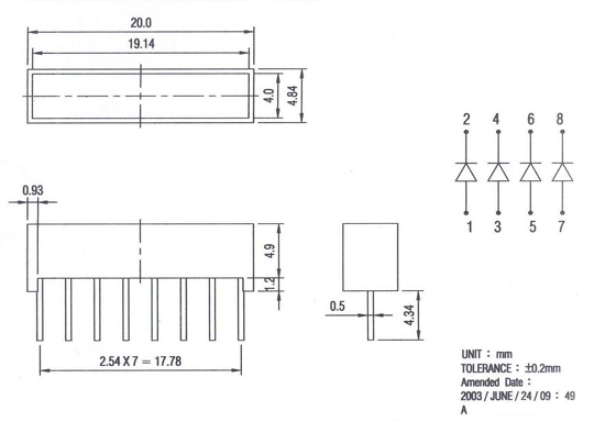
4.0 X 19.14 mm LIGHT BAR

Part No.
Chip
Lens Color
Wave
Length
P(nm)
Absolute Maximum Ratings
VF LUMINOUS
Material
Emitting
Color
nm
λ
pd
MW
lf
mA
lf
(park)
vf (V)
if
lv (mcd)
Min.
Typ.
Max.
(Rec)
Max.
Typ.
B-3504G
GaP
Green
White Or Color Diffused
570
30
70
25
90
0
2.1
2.8
10~20
0
8.5
B-3504Y
GaAsP/GaP
Yellow
White Or Color Diffused
590
35
70
20
90
0
3.1
2.8
10~20
0
5.5
B-3504E
GaAsP/GaP
Hi.effi Red
White Or Color Diffused
635
45
70
20
90
0
2.0
2.8
10~20
0
6.5
     
ABSOLUTE MAXIMUN RATINGS : ( Ta = 25°C ) ELECTRO - OPTICAL CHARACTERISTICS : ( Ta = 25°C )
Reverse Voltage
5 Volt
Reverse Current (Vr = 5V)
100/µA
Operating Temprature Range
-25°C to + 85 °C

Storage Temprature Range

-40°C to + 85 °C
Lead Soldering Temperature
(1.6mm(1/16inch)from body)
260°C for 3 Seconds
Parameter Description
Symbol Unit
Spectral Line half - Width
  nm
Power Disspation
Pd mW
Peak Forward Current (Duty 1/0,)@KHZ)
lf(Peak) mA
Recommended Operation Current
lf(Rec) mA
Average Luminous Intensity (lf = 10mA)
lv mcd

 

JOINSCAN ELECTRONICS CO., LTD.
TEL:886-2-2696-1188    FAX:886-2-2696-1098
5F NO. 98, SEC. 1, XINTAI 5TH ROAD, XIZHI DIST., NEW TAIPEI CITY 22102,TAIWAN