INQUIRY  


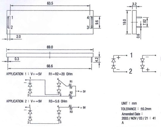
69X19mm (63.5 X 19mm) LED BACKLIGHT SOURCE

BL7019 SERIES
EMITTING COLOR
YELLOW
GREEN
MODEL NO.
BL7019 SY
BL7019 UG
DICE
AIGalnP
AIGalnP
ABSOLUTE MAXIMUM RATINGS
TA = 25° C
PARAMETER
SYMBOL
RATING
UNIT
POWER DISSIPATION
P  AD
0.25
0.25
W
CONTINUOUS FORWARD CURRENT
I  AF
20
20
mA
REVERSE VOLTAGE
V  R
5.0
5.0
V
OPERATING TEMPERATURE
T  OPR
-10°C TO + 160° C
STORAGE TEMPERATURE
T  STG
-20° C TO + 70 ° C
ELECTRO -OPTICAL CHARACTERISTICS
TA = 25° C
PARAMETER
SYMBOL
CONDITION
TYPE
UNIT
YELLOW
GREEN
FORWARD VOLTAGE
V  F
I F = 20 mA
4.1
4.2
V
LUMINOUS INTENSITY (SURFACE)
I  V
I F = 20 mA
200
400
CD/m2
PEAK EMISSION WAVELENGTH
λ  P
I F = 20 mA
590
570
mm
REVERSE CURRENT
I  R
V R = 5 V
MAX 0.2
MAX 0.2
mA

 

JOINSCAN ELECTRONICS CO., LTD.
TEL:886-2-2696-1188    FAX:886-2-2696-1098
5F NO. 98, SEC. 1, XINTAI 5TH ROAD, XIZHI DIST., NEW TAIPEI CITY 22102,TAIWAN