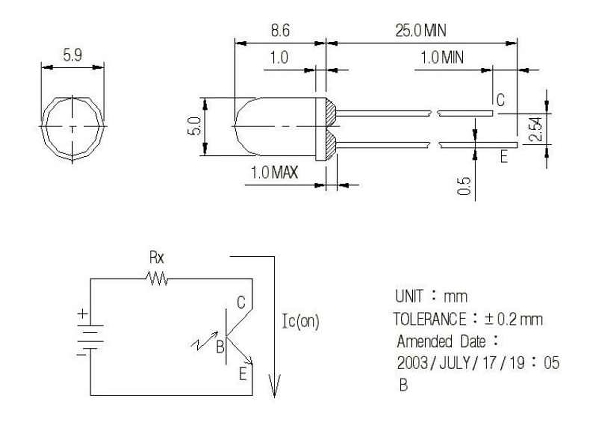
INQUIRY  

DIA 5mm PHOTOTRANSISTOR

 


JOINSCAN'S LED
 
MODEL NO.
LENS COLOR
 
ELECTRICAL & OPTICAL CHARACTERISTIC
VIEW ANGLE 2θ 1/2
PEAK WAVE LENGTH
@IF=20mA
Absolute Max
Rating
Collector Dark Current
(lC(on))TYP
Collector Dark Current
(lceo)
≦15°
25°
≧35°
L507p1-940<
L507p1-940 L507p1-940> WATER TRANSPARENT
940nm
Ace=30V
Pd 100mW
Vce=5.0V
IC(ON)=3mA
Max 100nA
Ace=10V
L507p2-940<
L507p2-940 L507p2-940> BLACK TRANSPARENT
L507p3-940<
L507p3-940 L507p3-940> BLUE TRANSPARENT
L507T1-880<
L507T1-880 L507p1-880> WATER TRANSPARENT
880nm
Ace=30V
Pd 100mW
Vce=5.0V
IC(ON)=3mA
Max 100nA
Ace=10V
L507p2-880<
L507p2-880 L507p2-880> BLACK TRANSPARENT
L507p3-880<
L507p3-880 L507p3-880> BLUE TRANSPARENT
L507p1-850<
L507p1-850 L507p1-850> WATER TRANSPARENT
850nm
Ace=30V
Pd 100mW
Vce=5.0V
IC(ON)=3mA
Max 100nA
Ace=10V
L507p2-850<
L507p2-850 L507p2-850> BLACK TRANSPARENT
L507p3-850<
L507p3-850 L507p3-850> BLUE TRANSPARENT
   

JOINSCAN ELECTRONICS CO., LTD.
TEL:886-2-2696-1188    FAX:886-2-2696-1098
5F NO. 98, SEC. 1, XINTAI 5TH ROAD, XIZHI DIST., NEW TAIPEI CITY 22102,TAIWAN