INQUIRY  

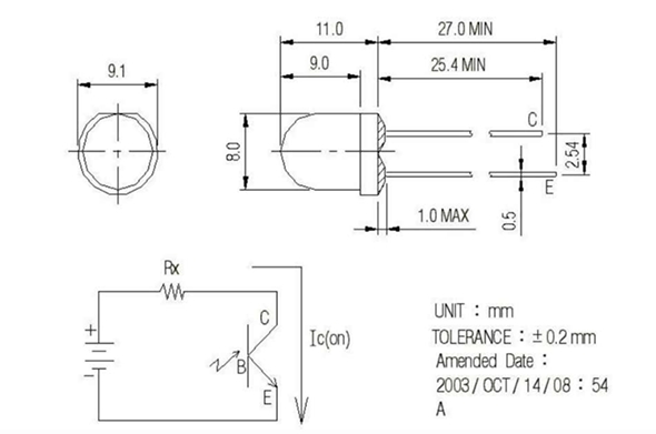
DIA 8mm PHOTOTRANSISTOR

 

 

JOINSCAN'S LED
 
MODEL NO.
LENS COLOR
 
ELECTRICAL & OPTICAL CHARACTERISTIC
VIEW ANGLE 2θ 1/2
PEAK WAVE LENGTH
@IF=20mA
Absolute Max
Rating
Collector Dark Current
(lC(on))TYP
Collector Dark Current
(lceo)
20°
L803P1-940
WATER TRANSPARENT
940nm
Ace=30V
Pd 100mW
Vce=5.0V
IC(ON)=3mA
Max 100nA
Ace=10V
0
 
0
 
L803P1-880
WATER TRANSPARENT
880nm
Ace=30V
Pd 100mW
Vce=5.0V
IC(ON)=3mA
Max 100nA
Ace=10V
0
 
0
 
L803P1-850
WATER TRANSPARENT
850nm
Ace=30V
Pd 100mW
Vce=5.0V
IC(ON)=3mA
Max 100nA
Ace=10V
0
 
0
 
   

JOINSCAN ELECTRONICS CO., LTD.
TEL:886-2-2696-1188    FAX:886-2-2696-1098
5F NO. 98, SEC. 1, XINTAI 5TH ROAD, XIZHI DIST., NEW TAIPEI CITY 22102,TAIWAN